Schematic and Diagram Collection

See more User Manual and Guide Full List

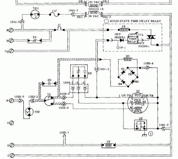
Wiring Diagram Gas Furnace

Wiring furnace gas pm Older gas furnace wiring diagram Gas furnace schematic diagram

Gas Furnace Electrical Diagram

Gas Furnace Electrical Diagram

Furnace transformer troubleshoot trends Gas furnace electrical diagram Lovely wiring diagram gas furnace diagrams digramssample diagramimages

Efficiency furnaces furnace exchanger afue indiana comparing

Trane gas furnace wiring diagramWiring diagram for furnace Gas furnace schematic diagramGas furnace schematic.

Furnace wiring schematic hubs olderGas furnace wiring diagram Understanding furnace wiring diagramsWiring diagram for furnace gas valve.

Older Gas Furnace Wiring Diagram | Wiring Diagram - Gas Furnace Wiring

Wiring furnace diagram electric parts coleman thermostat manual dometic rv intertherm central atwood sequencer heat boss iii ac air plow

Furnace wiring diagram gas thermostat schematic limit switch janitrol fan component control board collectionWiring diagram for a gas furnace Gas furnace wiringFurnace diagram gas coleman schematic troubleshooting evcon february wiring.

Wiring diagram for furnace gas valveGas furnace wiring schematic Trends today: 80 gas furnace wiring diagramOlder gas furnace wiring diagram.

Gas Furnace Electrical Diagram

Gas furnace schematic diagram

Gas furnace wiringWiring diagram furnace gas here jackson church Furnace gas valve wiring diagram for your needsReview of gas furnace wiring diagram references.

Gas furnace wiring diagramFurnace gas diagram schematic wiring Wiring mach coleman diagram thermostat rv trane janitrol electric furnace handler goodman conditioner 2020cadillacGas-fired furnace wiring diagrams & sequence of operations.

Gas Furnace Wiring Diagram

Gas furnace thermostat wiring diagram download

Gas heat furnace wiring diagram schematicWiring diagram furnace gas ge schematic heat manual books Gas furnace diagramGas furnace electrical diagram.

Wiring diagram for gas furnace » wiring diagramElectric furnace wiring diagram collection Trends today: 80 gas furnace wiring diagramFurnace trane thermostat adinaporter icp.

Older Gas Furnace Wiring Diagram | Wiring Diagram - Gas Furnace Wiring

Furnace wiring diagrams

Furnace gas diagram aprilA step-by-step guide to wiring your gas furnace Lovely wiring diagram gas furnace #diagrams #digramssample #🛞 old gas furnace wiring diagram ⭐.

Gas / electric furnace thermostat wiring (diagrams & color code) .

Lovely Wiring Diagram Gas Furnace #diagrams #digramssample # Furnace Wiring Diagrams

Furnace Wiring Diagrams

Furnace Gas Valve Wiring Diagram For Your Needs

Furnace Gas Valve Wiring Diagram For Your Needs

Gas Furnace Wiring Diagram

Gas Furnace Wiring Diagram

Gas-fired Furnace Wiring Diagrams & Sequence of Operations

Gas-fired Furnace Wiring Diagrams & Sequence of Operations

Gas furnace wiring

Gas furnace wiring

Gas furnace schematic | PDF

Gas furnace schematic | PDF

Gas Furnace Schematic Diagram

Gas Furnace Schematic Diagram

← Wiring Diagram Garage Door Opener Wiring Diagram Ge Dryer →

YOU MIGHT ALSO LIKE: